Cyflwyniad Cynnyrch
Shredder Metel Siafft DwblCyfres EB yw'r offeryn hanfodol, di-ffws, ar gyfer trydanwyr, technegwyr, hobïwyr, ac unrhyw un sy'n mynnu stripio gwifren yn gyflym, yn lân ac yn fanwl gywir. Wedi'i gynllunio ar gyfer hygludedd a rhwyddineb defnydd, mae'r offeryn cryno hwn yn darparu perfformiad dibynadwy yn union yng nghledr eich llaw, gan ddileu'r angen am ffynonellau pŵer neu setiau cymhleth. Eich nod chi yw ateb ar gyfer paratoi gwifrau'n effeithlon mewn gweithdai, gwasanaeth maes, neu brosiectau DIY. Mae'r peiriant rhwygo bach yn cynnwys dau rholer torrwr yn bennaf gyda llafnau troellog.

Paramedr Cynnyrch
|
Model |
Cilfa porthiant |
Dimensiynau |
Pwysau |
Grym |
|
W-EB180 |
180*190mm |
722*300*590mm |
120kg |
1.5kw |
|
W-EB300 |
500*500mm |
1081*570*1329mm |
400kg |
3kw |
|
W-EB400 |
600*500mm |
1160*600*1450mm |
500kg |
5.5kw |
|
W-EB500 |
700*700mm |
1350*700*1600mm |
750kg |
7.5kw |
Effaith Prosesu
Mae'r peiriant rhwygo mini siafft dwbl yn darparu proses leihau maint rheoledig, effeithlon a chyson, gan drawsnewid amrywiol ddeunyddiau mewnbwn yn allbwn unffurf, hylaw sy'n ddelfrydol ar gyfer prosesu neu waredu i lawr yr afon.
Nodweddion Allweddol yr Allbwn:
Maint Gronyn Unffurf: Mae gweithred gymysglyd y ddwy siafft a phresenoldeb sgrin sizing / grât yn sicrhau bod deunydd sy'n cael ei ollwng yn cwrdd ag ystod maint gronynnau diffiniedig a chyson. Gellir addasu allbwn trwy newid agorfa'r sgrin.

Nodweddion Cynnyrch
1.Effeithlonrwydd Uchel gydag Effaith Amgylcheddol Isel
Yn gweithredu gyda sŵn isel, allyriadau llwch isel, a gallu prosesu mawr, gan sicrhau cynhyrchiant uchel tra'n cynnal amgylchedd gwaith glân a diogel.
2.Adeiladu ar Ddyletswydd Cadarn a Thrwm
Ffrâm Cyfuniad Atgyfnerthedig: Wedi'i beiriannu'n fanwl gywir o blatiau dur trwchus arbennig ar gyfer y sefydlogrwydd a'r gwydnwch mwyaf posibl.
System Porthiant Cynhwysedd Uchel: Yn cynnwys siafft gylchdroi bwerus gyda-cholofn hecsagonol ongl fawr a hopran porthiant solet diamedr mawr, sy'n caniatáu ar gyfer llwytho deunyddiau crai swmpus yn ddiogel ac yn effeithlon.
3.System Torri Perfformiad Uchel-
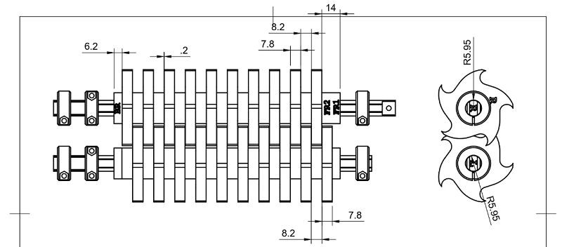
Mae llafnau cylchdroi sydd wedi'u dylunio a'u peiriannu'n unigryw-wedi'u hoptimeiddio o ran trwch, proffil, a threfniant-yn cyflawni gweithrediadau cneifio pwerus a miniog ar gyfer perfformiad gwasgu hynod effeithlon a chyson.
4.Advanced Selio ar gyfer Purdeb
Mae strwythur selio cyfuniad lluosog perchnogol i bob pwrpas yn atal unrhyw gyswllt rhwng y deunydd wedi'i falu a saim iro mewnol, gan sicrhau purdeb cynnyrch ac atal halogiad.
Deunydd 5.Premium a Thechnoleg Prosesu
Mae'r llafnau symudol yn cael eu cynhyrchu o wagenni ffug dur offer aloi arbennig. Maent yn cael eu peiriannu'n fanwl ac yna sawl cam o driniaeth wres, gan gynnwys triniaeth cryogenig, gan arwain at wrthwynebiad gwisgo eithriadol, cryfder uchel, a hyd oes weithredol estynedig.

Ceisiadau
Mae'r peiriant rhwygo metel siafft dwbl yn ddatrysiad amlbwrpas, cryno a phwerus sydd wedi'i gynllunio ar gyfer rhwygo'n fanwl gywir ar draws amrywiol ddiwydiannau. Mae ei weithred cneifio yn ei gwneud yn ddelfrydol ar gyfer prosesu ystod eang o ddeunyddiau yn ffracsiynau llai dan reolaeth.
1. Prosesu Plastig a Pholymer
Pwrpas: Lleihau cyfaint, paratoi ailgylchu, ac adfer deunyddiau.
Deunyddiau Nodweddiadol: Purgings, lympiau, pibellau, proffiliau, cynwysyddion wedi'u mowldio â chwythu, rholiau ffilm, mowldinau chwistrellu wedi'u gwrthod, a gwastraff plastig cymysg.
2. Pren a Biomas
Pwrpas: Creu tanwydd biomas, porthiant compost, neu domwellt addurnol.
Deunyddiau Nodweddiadol: Sbarion paled, toriadau pren, canghennau, rhisgl, gwastraff pren wedi'i beiriannu, a phren dymchwel ysgafn.
3. Papur a Chadbord
Pwrpas: Dinistrio neu gywasgu diogel ar gyfer ailgylchu.
Deunyddiau Nodweddiadol: Rholiau papur, blychau cardbord, toriadau o weithrediadau argraffu/torri, a dogfennau cyfrinachol.
4. E-Wastraff ac Eitemau Metel Bach
Pwrpas: Gwahanu cydrannau, lleihau cyfaint, ac adfer metelau gwerthfawr.
Deunyddiau Nodweddiadol: Byrddau cylched (PCBs), ceblau, proffiliau alwminiwm/copr bach, gorchuddion electronig, a sgrap anfferrus ysgafn.
5. Gwastraff Diwydiannol a Bwrdeistrefol Cyffredinol
Pwrpas: Lleihau cyfaint i leihau costau gwaredu a gwella trin.
Deunyddiau Nodweddiadol: Deunyddiau pecynnu (cymysg), tecstilau, rwber, deunyddiau cyfansawdd ysgafn, a ffrydiau gwastraff solet dinesig nad ydynt yn beryglus (MSW).

Strwythur Cynnyrch
Gerau a siafftiau peiriant: Mae'r sedd dwyn wedi'i chynllunio gyda strwythur hollt a datodadwy, sy'n galluogi symud llafnau symudol, llafnau sefydlog, Bearings a chydrannau craidd eraill yn hawdd. Mae'r dyluniad hwn yn symleiddio cynnal a chadw ac ailosod llafn yn sylweddol, gan leihau amser segur a gwella effeithlonrwydd gweithredol.

Mae gan y peiriant rhwygo hwn systemau amddiffyn gorlwytho cynhwysfawr a rheoli deallus, gan gynnwys:
Prif Ddiogelwch Modur: Yn cynnwys cychwynnwr gydag amddiffyniad gorlwytho integredig i ddiogelu'r system yrru graidd.
Ymateb Gorlwytho Awtomatig: Mae'r system yn monitro gorlwytho bwydo a gorlwytho jamio modur. Ar ôl ei ganfod, mae'n sbarduno gwrthdroad awtomatig ac yn ailddosbarthu'r deunydd.
Swyddogaeth Gwrthdroi Addasadwy: Mae nifer y cylchoedd gwrthdroi awtomatig yn addasadwy i'r defnyddiwr, gan ganiatáu ar gyfer clirio jamiau wedi'u hoptimeiddio yn seiliedig ar nodweddion deunydd penodol, sy'n gwella effeithlonrwydd gweithredol ac yn amddiffyn yr offer.

Lleihäwr Modur: Mae'r peiriant rhwygo hwn yn cynnwys moduron safonol effeithlonrwydd uchel sy'n enwog am eu dibynadwyedd a'u perfformiad arbed ynni. Ar ben hynny, mae pob uned yn cael profion llwyth llawn trwyadl cyn eu cludo yn y ffatri i wirio sefydlogrwydd, cydbwysedd a gwydnwch y system yrru gyfan, gan sicrhau gweithrediad cyson a dibynadwy o'r diwrnod cyntaf.

Cyfanwaith mecanyddol: Mae prif ffrâm yr offer wedi'i hadeiladu gan ddefnyddio platiau dur gradd A trwchus, sy'n cael eu weldio'n fanwl gywir, triniaeth lleddfu straen, a pheiriannu integredig. Mae'r broses weithgynhyrchu gadarn hon yn sicrhau cywirdeb strwythurol ac anhyblygedd eithriadol, gan warantu perfformiad sefydlog, dibynadwy a pharhaol hyd yn oed o dan weithrediad dyletswydd trwm parhaus.

Cwestiynau Cyffredin
C1: Pa ddeunyddiau y gall y broses peiriant rhwygo siafft fach hon ddyblu-?
A: Mae ein peiriant rhwygo metel siafft dwbl yn amlbwrpas iawn a gall drin ystod eang o ddeunyddiau gan gynnwys:
1) Plastigau: lympiau, carthion, pibellau, ffilmiau, cynwysyddion, a rhannau wedi'u gwrthod.
2) Pren a Biomas: Paledi, toriadau, canghennau, a phren dymchwel ysgafn.
3) Papur a Chadbord: Rholiau, blychau, a dogfennau cyfrinachol.
4)E-Metelau Gwastraff a Ysgafn: Byrddau cylched (PCBs), ceblau, proffiliau alwminiwm, a sgrap anfferrus.
5) Gwastraff Cyffredinol: Pecynnu, tecstilau, rwber, a gwastraff solet dinesig nad yw'n beryglus (MSW).
C2: Beth yw prif fantais peiriant rhwygo siafft dwbl dros fodel siafft sengl?
A: Y fantais sylfaenol yw'r weithred gneifio bwerus, dan reolaeth. Mae dwy siafft sy'n cylchdroi cownter- gyda llafnau rhyng-ryngol yn cydio, yn cneifio ac yn rhwygo deunydd ar wahân gyda trorym uchel ar gyflymder isel. Mae hyn yn arwain at:
● Maint allbwn mwy cyson.
● Cynhyrchu llai o sŵn a llwch.
● Gwrthwynebiad uwch i jamio o ddeunyddiau caled neu afreolaidd.
● Trin ffrydiau deunydd cymysg yn well.
Tagiau poblogaidd: peiriant rhwygo metel siafft dwbl, gweithgynhyrchwyr peiriant rhwygo metel siafft dwbl Tsieina, cyflenwyr, ffatri













